上海理工大学建筑环境与能源工程系
实验基地及实验系统介绍
大空间室内热环境创新实验基地
结合学校发展,目前学校共有两处共建的大空间实验系统,其中之一为与学校体育部共建的乒乓房大空间热环境实验系统,之二为与学校工程实训中心数控机床实习的大空间热环境实验系统。
乒乓房大空间热环境实验系统建于2007年,实验基地面积约300m2,坡屋顶,最高处8.75m,实验室包括喷口送风、柱状送风、布袋送风、二次接力送风四种送风方式,其中喷口送风有三种高度4m、5m和6m,回风方式由下部回风、上部机械回风两种,可以选择多种送回风方式组合,各送风支管末端由密闭阀和送风口组成,实验时可根据需要切换各送风系统,送风口数量可调节,实验室内景见图5。系统采用了空气源热泵供能系统,制冷(热)量为66(73)kW,冷冻水量11.4m3/h,风机总风量为18000m3/h,功率为11kW。送风参数可控,送风量变频调节。
室内布有5个常态热电偶测线,10根横向可上下移动的测杆实验时可布置温湿度测点和速度测点。各送风口均有风量调节阀以调节风量,每个喷口均设有温湿度传感器。


(a)实验基地西墙 (b)实验基地南墙
图5乒乓房大空间热环境实验基地
该大空间实验系统可进行喷口送风、下送风、布袋送风等多种送风方式的气流组织实验,由于室内无设备热源,还可进行喷嘴送风轨迹实验,目前已完成近10余名硕士研究生的学位论文用实验系统,同时也作为大学生调试的实习场所和大学生热环境创新型实验的场所。
学校工程实训中心数控机床实习用大空间热环境实验系统建于2011年,该系统正式完工于2012年8月,目前已进行2012年夏季实验。实验系统面积约500m2,坡屋顶,最高处达13m,其送风系统形式沿袭了乒乓房大空间热环境实验系统的形式,此外,利用建筑特征在屋顶处还装有机械排风系统,实验基地与空调机房内景间图6和图7。其能源供应系统采用地源热泵与空气源热泵的组合,详见大空间地源复合热泵创新实验系统。


图6实训中心大空间热环境实验基地内景 图7实训中心大空间热环境实验基地空调机房内景
实训中心大空间热环境实验系统,其特点是室内设备负荷大,建筑面积与容量都超过了乒乓房大空间热环境实验系统。室内热环境研究布有9条测线的温度测线,其信号可通过局域网远距离输送,此外屋顶有排风系统和待建的自然通风排风系统。根据两处大空间热环境实验系统特点,目前已将乒乓房热环境实验系统定位为大空间热环境机理、喷嘴射流送风叠加、射流与热源羽状流叠加等机理研究基地,而实训中心大空间热环境实验系统则为一有设备热源的大空间热环境原理应用的实验基地,利用两者不同特点,可进行大空间建筑热环境理论和应用研究,由于实际建筑热环境存在的问题,也为大学生创新留下了空间。因实训中心大空间基地喷口布置高度受限,射程要求远,为此基地可进行不同混合送风最佳匹配的创新实验,以满足一定射程要求;还可进行喷嘴角度优化创新实验;由于基地上有机械排风系统,为此可进行大空间过渡季节的机械排风和自然排风运行最佳时段等创新实验。
该实验系统于2012年8月完工,它是实训中心大空间热环境基地的供能实验系统,目前实验系统可以完成室内恒温恒湿控制、地源热泵地下埋管换热器的研究、地源热泵土壤收支热量平衡等研究,另一方面还可以为建筑环境与设备工程专业的本科教学提供教学平台。
该实验系统中地源热泵空调实验系统地埋管井29口,埋管深度90m;分别按4米、5米、6米三种间距布置地埋管井,地源热泵机组1台,100kW;此外系统还有风冷热泵机组1台,30kW。整个风系统有组合式空气处理机组1台,风量30000m3/h,风机全压1400Pa,风机可变频控制。图8为地源复合热泵实验系统地源热泵与空气源热泵布置外观。

图8系统供能设备室外机组外观
该系统可进行多个大学生创新性实验,可解决目前地源热泵常见的突然温度升高的问题,如空气源和地源最佳匹配联合运行实验,通过不同环境和不同运行时间下空气源热泵和地源热泵的联合运行实验,获得节能的合理的新型双源空调运行方式。同时还可进行地源热泵热回收除湿运行等多种创新实验。
建筑多能源供热供冷计量实验台不仅具备焓差法测试空调设备机组的制冷量、制热量、风量、COP以及机组功耗等参数的能力,而且还可以采用热平衡法精准测试换热量,为国内首创,计量设备的最大功率为12.5kW。它可以模拟不同的室内外环境工况,控制精度可达到±0.1℃,并能提供恒温恒流量冷热水。
建筑多能源供热供冷计量实验台如图10所示主要由室内侧、室外侧和室内侧热平衡计量室组成,室内侧与室外侧气流及测量原理图9所示。实验台主要设备包括室内侧和室外侧空气处理设备(包括制冷系统、电加热和电加湿等)、室内焓差测试装置、取样装置、稳压电源控制柜、电气控制装置以及实验采集系统等。
实验台操控平台包括触摸屏和PID调节器。触摸屏控制面板上共分为水系统控制界面、室内侧控制界面、室外侧控制界面、量热室控制界面、维护控制以及报警信息界面; PID调节器可以设置实验所需的参数,包括水系统以及室内外侧温度等总共14个参数。
实验采集计算机系统可以实时显示所采集的数据(数据显示、图表显示),同时可以查询历史数据,导出实验数据等。
该实验系统可进行双级覆叠热泵机组、多功能新风热泵除湿机组等多项创新,此外还可进行空调设备等新型换热设备研发、人工环境参数模拟等研究创新实验。
建筑环境和设备系统综合实验室2003年立项,经过两年的方案设计、专家咨询、安装调试及试运行,于05年10月正式通过专家鉴定获得了“国内领先,国际先进”的评价。07年获得上海市科技进步三等奖,机械工业部科学技术三等奖。
建筑环境与设备集成综合实验室由(环境室、低温室)为主要被控对象的完整的空调系统组成,采用本学科多种先进技术,可进行室内热舒适性环境、室内低温环境、空气处理、制冷技术、冷热源技术、自动控制等综合实验,详见图11系统外观及图12原理图。该实验室主要有:1)多功能特点,系统包含多个子系统,即可以单独研究制冷、供热、通风等系统的特性包括设备的性能参数,也可以将根据需要将某几个相关系统组合进行研究;2)控制方式灵活特点,对系统中一些关键执行器可以进行手动控制,也可设定被控制对象的参数后进行自动控制。并且手动控制和自动控制可以灵活切换而不需要重新开关机器;3)测量、控制点密集,可调节性好特征,系统中共布置了70多个测量点,20多个执行器。针对同一个被控对象有多种调节方式可以选择;4)数据采集方便,数据采集系统采用传感器、数据采集单元、上位机的三层结构。上位机软件采用美国国家仪器公司的labVIEW编制,可以显示采集数据,还可以显示趋势线,进行一些在线分析,也可以生成office报表方便处理。
基于该实验装置共设计了13个实验,其中包括变风量系统性能实验等创新实验6个。此外环境室内壁贴有辐射电热膜,可进行墙体辐射对流分离等创新实验。


(a)冷热源设备(b) 空调处理系统


(c)环境室(风机盘管测试台) (d)电气设备和控制装置
图11建筑环境和设备系统综合实验室
该实验系统建于2007年,是由集成多种热回收节能技术与设备的变风量空调热回收所组成的实验平台,系统末端服务于上送风与下送风两种送风方式的环境室,详见图13,其中下送风可见下送风环境研究实验室。
实验系统冷热源由1台风冷热泵及1台带热回收风冷热泵机组提供,最大制冷量为45kW,最大设计风量4700m3/h,AHU机组中采用电极加湿器与湿膜加湿器实现加湿,并采用电加热器实现再热,系统原理见图14。该系统采用了集中与分散式控制,包含了LonWorks、MPbus、Modbus、Ethernet等多种通讯协议,选用了IEC 61131-3标准的PLC,可实现高级语言编程,方便开发与实现各种控制算法与控制策略。
该系统主要集成了二次回风空调系统、常规变风量系统、变风量地板系统、风机盘管系统、冷凝器热回收、空气全热交换热回收、湿膜加湿、热泵机组以及PLC控制系统等。可为变风量控制方法、排风热回收及冷凝热回收节能、回风变风量控制、湿膜蒸发冷却加湿节能、变风量末端和风机盘管的舒适及节能等研究提供实验平台。
实验系统可进行多种控制房间模型的实验,如变风量控制房间模型实验,实现热回收最优、PLC控制方法等创新实验。


(a)全热交换热回收 (b)PLC控制系统


(c)变风量末端控制 (d)上送风末端
图13建筑热回收变风量空调系统

图14建筑热回收变风量空调系统节能实验室原理图
该实验系统建于2007年,是采用冰蓄冷为冷源的低温送风中央空调系统。实验系统见图15,冰蓄冷采用封装冰球式蓄冷装置,由两台双工况冷水机组(单机空调工况制冷量为6.5kW)提供冷量。图16为该系统原理图,25%的乙二醇溶液为载冷剂,为空调系统提供2℃~7℃的低温冷媒水;通过控制管路系统的切换,实验台可实现制冰蓄冷工况、融冰供冷工况、制冷机组单独供冷工况及主机与蓄冰槽联合供冷等四种工况的手动或自动运行。
低温送风空调系统由三台大温差风机盘管和一套大温差空气处理箱加诱导式送风装置及送回风口组成。自制的诱导式送风装置,可实现20%~50%的诱导风量调节。末端送风口采用耐低温防结露散流器。

图15冰蓄冷低温送风实验系统

图16冰蓄冷低温送风实验系统原理图
实验台测控系统可实现整个系统的运行控制、不同工况切换、温湿度与送风参数检测与调节和故障报警等功能。数据采集仪与计算机联接可对实验数据进行采集、统计与分析,通过以太网进行系统的集散控制调节。
实验装置可对冰蓄冷低温送风空调系统中的蓄冷释冷特性、空调日负荷随室外温度变化的曲线预测、系统优化控制等问题进行研发研究。亦可对低温送风的形式、气流组织和热舒适性等问题创新研究。
辐射空调环境研究实验室建于2008年,其辐射换热是由一组毛细管完成,它是目前一种新型空调末端系统形式,一般安装在地面、墙体或天花板内,以水作为介质,通过水流传热把围护结构的一个或多个表面控制在一定温度,形成冷热辐射面,依靠辐射面与人体、家具及其余围护结构表面的辐射热交换进行供暖制冷。它主要由冷热源、水循环系统、独立新风系统和控制系统构成。
水循环系统是毛细管辐射空调系统的核心组成部分,一般由循环水泵、集分水器、毛细管席等组成。本系统中毛细管席的安装面积为82.9m2,整个环境室40m2,详见图17。为保证毛细管辐射空调实验系统的运行及实验效果,且根据房间各面墙壁的实际情况,将实验室集分水器设计为8个支路。其中地面两支路,顶板两支路,北墙两支路,东墙两支路。

图17辐射空调环境研究实验室
独立新风系统是由新风机组、送风管道、送风口、回风口、排风热回收装置等组成。毛细管席承担处理室内显热负荷的部分,独立新风系统则起着承担室内全部潜热负荷和部分显热负荷的任务,同时也是室内人员所需新风的来源。其冷热源为变频控制的空气源热泵机组,为空调系统提供恒温的冷热水。
辐射空调环境研究实验室可进行辐射空调环境下的舒适性创新实验,利用其新风系统可进行热湿风控系统控制创新实验,还可利用其系统所拥有的热湿独立处理手段进行围护结构蓄湿等特性及室内湿度控制等创新实验。
下送风环境研究实验室有模拟办公大楼的内区和外区变风量地板送风形式组成,它是建筑热回收变风量系统节能实验室的末端环境室,建于2007年。
变风量地板送风系统最大设计风量为1200m3/h、最小设计风量为480m3/h。系统可通过改变送风量及地板送风口的布置,来满足空调负荷变化及室内人员不同热舒适性,从而实现室内热环境的共性及个性化需求。
内区送风系统主要由单风道VAVbox、架空地板、均匀送风静压箱、旋流送风口及PLC控制系统组成,可实现多种形式的变风量控制,如架空地板的静压控制、可调送风口控制及VAVbox控制等。外区送风系统由串联风机动力型VAVbox、架空地板、格栅送风口及PLC控制系统组成,外区送风由内区架空地板的处理空气和室内回风的混合,通过格栅送风口向上送风,从而承担窗户和外围护结构的空调负荷,减少或避免外区对内区热舒适环境的影响,详见图18和图19。


(a)下送风外观 (b)下送风静压箱
图18下送风环境研究实验室

图19下送风环境研究实验室送风原理
下送风环境研究实验室可进行下送风室内热力分层、下送风舒适性最优参数等创新性实验。
地铁车站热环境盐水模拟系统建于2009年,是能够模拟实际风速为0-8m/s的地铁隧道活塞风系统的缩尺模型试验台,其时间比例尺为1:1,几何比例尺为1:16。
试验台的原形为某非屏蔽门系统地铁车站,模型站台尺寸为1.5m×0.75 m×0.25 m,代表原形车站尺寸为182m×12m×4m;隧道模型尺寸为0.1375m×0.25m,代表性隧道尺寸为2.2m×4m。
此液体缩尺模型试验台主要通过液体流动来反映建筑环境中的气流组织特点,尤其是地铁热环境中的气流组织特性。实验台由模型活塞风部分、模型送风射流部分和模型站台部分组成,可直接进行单独空调送风作用、单独活塞风的附壁射流、空调送风与活塞风的等温耦合、空调送风与活塞风的非等温耦合等试验研究,详见其图20系统原理及图21实验系统外观。模拟系统通过测量精度为1cm/s的LGY—III型多功能智能流速仪测得液体流速,通过密度计反映的液体密度计算温度场变化,并可由显色剂反映流线变化。
该实验系统可进行间歇性非稳态射流与空调稳态送风射流之间耦合实验、液体模型实验反映火灾工况的实验等创新研究实验项目,目前该实验台完成和正在进行有2项本科大学生创新项目。

图21地铁车站热环境盐水模拟系统外观
该系统建于2007年,面积40m2,实验室建设时根据中国国标GB6882(全球标准ISO3745 )《消声室和半消声室精密法》设计制造的半消声试验室用消声棉设计,实验室有效隔离噪声,本底噪声可达到20db(A),详见图22。
消声室配备了Grass噪声传感器及01db噪声测试仪,试精度达到±1db,可以精确测量设备噪声。
半消声室与风量测试本体相连,并用利用消声风管连接,可以为消声室内提供经过消声和计量的送风。实验室可以进行送风口噪声测试,VAVbox等的噪声测试,因此该实验室可进行各种风口、风阀研发的创新性实验。

图22半静音室实验室
风机性能实验室建于2007年,整个风机性能试验台由图23为组合喷嘴式的风机性能试验装置,能对各种不同类型的风机性能进行测定,能进行定风量和定风压试验,并能对试验参数进行曲线拟合,得出风机的性能曲线。试验台符合标准GB/T 1236-2000 和ASHRAE 51-75的要求。
试验台能够进行定风量定电压试验,定风压定电压试验,定风量定转速试验,定风压定转速试验。风量测试范围为110~12000m3/h,风机压力测试范围为

图23风机性能试验台原理
0~1000Pa,重复精度±1%。实验数据的采集采用传感器和数据采集卡,利用VB编制的测控软件能够自动的记录风机的电流,电压,转速,风机风量,风机静压。并自动拟合出风机性能的曲线。
除风机性能外该实验装置还能进行风量测试装置的校准,风口特性试验和风阀性能等试验。特别还可对目前节能的直流无刷风机的改进以及与交流变频风机性能比较的创新性试验,见图24。

图24风机性能实验室
层流洁净室目前正进行施工安装,预计2012年10月完成。洁净室尺寸为4445mm×3200×2100mm,室内面积14.2m2。工作人员通过洁净室入口处的风淋室进出洁净室。洁净室屋顶满布FFU,满布比为65.6%,FFU风机电机为直流无刷型,室内气流速度范围0.4m/s-1.0m/s。FFU布置以及侧墙回风口布置如图25所示。实验室地板采用高架地板,以形成下回风,从而室内形成垂直层流的气流组织,同时洁净室两侧墙面开有回风口,可形成上送侧回的准层流洁净室气流组织形式,根据回风口高度不同,上送侧回形式略有不同详见图26所示,实验室两侧为回风夹墙,回风道近屋顶侧布有干盘管显热换热。洁净室设计新风量为120m3/h,最大新风量可实现1000m3/h,新风机组采用粗效、中效、高效三级过滤,采用的过滤器分别为G4、F6、H13型,FFU过滤器效率为H14。室内正压可保持15Pa。
该洁净室净化系统为高效净化系统,若采用上送下回气流组织,最高可以达到ISO14644规定的1级洁净度。洁净室有两套冷冻水系统,一套冷冻水系统提供新风机组所要的冷量,另一套冷冻水机组提供干盘管的冷量。为了实现洁净室有关参数的控制和测量,室内,回风夹道内,新风管道的入口及出口布置有温湿度测定,冷冻水进出水管道布置有温度测定和流量计。所建洁净室可进行洁净室相关的科学研究,还可进行层流与乱流等性能优化的创新试验。


(a)FFU布置(b)侧墙回风口布置
图25层流洁净室风口布置

(a)上送下回垂直层流气流组织


(b)上送侧回(第一排回风口)(c)上送侧回(第二排回风口)


(d)上送侧回(第三排回风口)(e)上送侧回(第四排回风口)
图26层流洁净室可形成的气流组织形式
该实验系统目前正进行施工安装,预计2012年10月完成。所建空气净化实验台工作原理为:使洁净气体通过一风量箱(最小流量68m3/h,最大流量1375 m3/h),在风量箱的加气口添加研究用、具有一定浓度污染物,含有污染物的气体在风量箱内混合均匀,然后使含污染物的气体经过第一个孔板均流段测试其污染物浓度后,经过净化器试验样机后的第二个孔板均流段,再次测试气体污染物浓度,然后含污染物的气体经过系统净化器,待残留污染物被清除后再次回到风量箱,依此循环。所用净化机选用活性炭纤维进行空气污染物净化,实验系统见图27。试验通过净化器试验样机前后不同污染物浓度、气体流速获得净化器样机净化效率。试验台可进行不同净化器性能研发与新型净化器的开发创新研究。


(a)空气净化设备实验主机(b)空气净化设备系统试验样机风管段
图27空气净化设备实验系统
该实验系统建于2012年4月,所建立的4kW太阳能光伏光热实验系统包括三部分,分别为太阳能固定式光伏发电系统、太阳能双轴追踪式光伏发电系统以及太阳能光伏光热一体化发电系统。每套系统光伏矩阵的额定功率为1330W,其中双轴追踪式光伏发电系统与固定式光伏发电系统分别由7块额定功率为190W的单晶硅光伏组件构成,光伏光热一体化发电系统由7块额定功率为190W的光伏光热一体化组件构成,所有组件表面单晶硅参数相同。所有光伏发电系统采用并网的形式,所发的电量可并入实验室配电柜电网,供实验室用电使用。
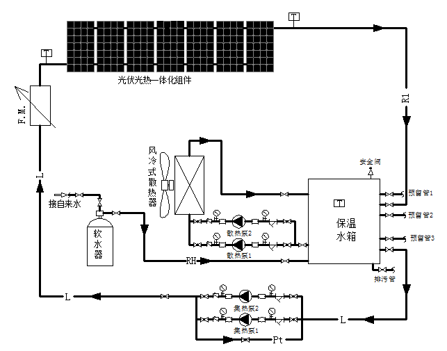
太阳能光伏光热一体化发电系统配备了一个500L的保温水箱,配备2台集热循环泵,一用一备;同时考虑到实验的需求,配备了一台10kW的风冷式散热器,并配备2台散热泵。图28为太阳能光伏光热一体化系统集热原理图。图29为实验系统外观。

图28太阳能光伏光热一体化系统集热原理图
太阳能光伏光热一体化发电系统中水系统集热循环泵由光伏光热一体化组件出口温度与水箱温度之间的温差来控制启停,当温差高于设定温度时,集热循环泵开启,当温差低于设定值时,集热循环泵关闭。同时,在实验系统中需要保持水箱恒温时,可通过散热泵与风冷散热器散热,其中风冷散热器变频控制。实验系统可通过实验平台光伏光热组件与单独光伏组件的比较、光伏光热组件跟踪太阳辐射角的实验,获得太阳能综合利用的效果,以研究太阳能发电和供热综合利用。

图29太阳能光伏光热实验系统
建筑太阳能一体化及其太阳能蓄热实验系统
太阳能蓄热实验系统建立在建筑太阳能一体化的基础上建设而成。由于太阳辐射的日夜变化以及受天气状况影响很大,辅助热源和蓄热装置几乎是必备的部件。目前许多太阳能热水系统采用电加热作为辅助热源,由于电加热器的安装功率都很大,消耗大量宝贵的电能,本热水系统以热泵为辅助热源,采用多水箱蓄热方法,可以实现太阳能集


图30建筑太阳能一体化实验系统

图31太阳能蓄热实验系统
热器与建筑的一体化,比以电加热为辅助热源的太阳能热水系统节电70%以上,本技术拥有六项专利,其中二项发明专利。
超临界二氧化碳热泵实验系统
实验台可实现的功能:12个温度测点和6个压力测点可监测二氧化碳在各阶段的状态以及系统运行状况;可一次加热得到热水,也可循环加热;可以进行有无回热器的对比实验;蒸发器为水冷式,可模拟各种室外温度;冷冻水和冷却水侧流量均可变。

图32超临界二氧化碳热泵实验系统
